首页
关于我们
产品展示
设计能力
人力资源
联系我们
产品展示
PRODUCTS SHOW
产品分类
产品展示
GZA系列石油化工离心泵
轧制液离心泵
LF(R)液下泵
卧式多级离心泵
NSC型单级双吸离心泵
GZZ高抗汽蚀快速自吸泵
IS型单级单吸清水离心泵
GZH化工离心泵
ISG型立式管道泵
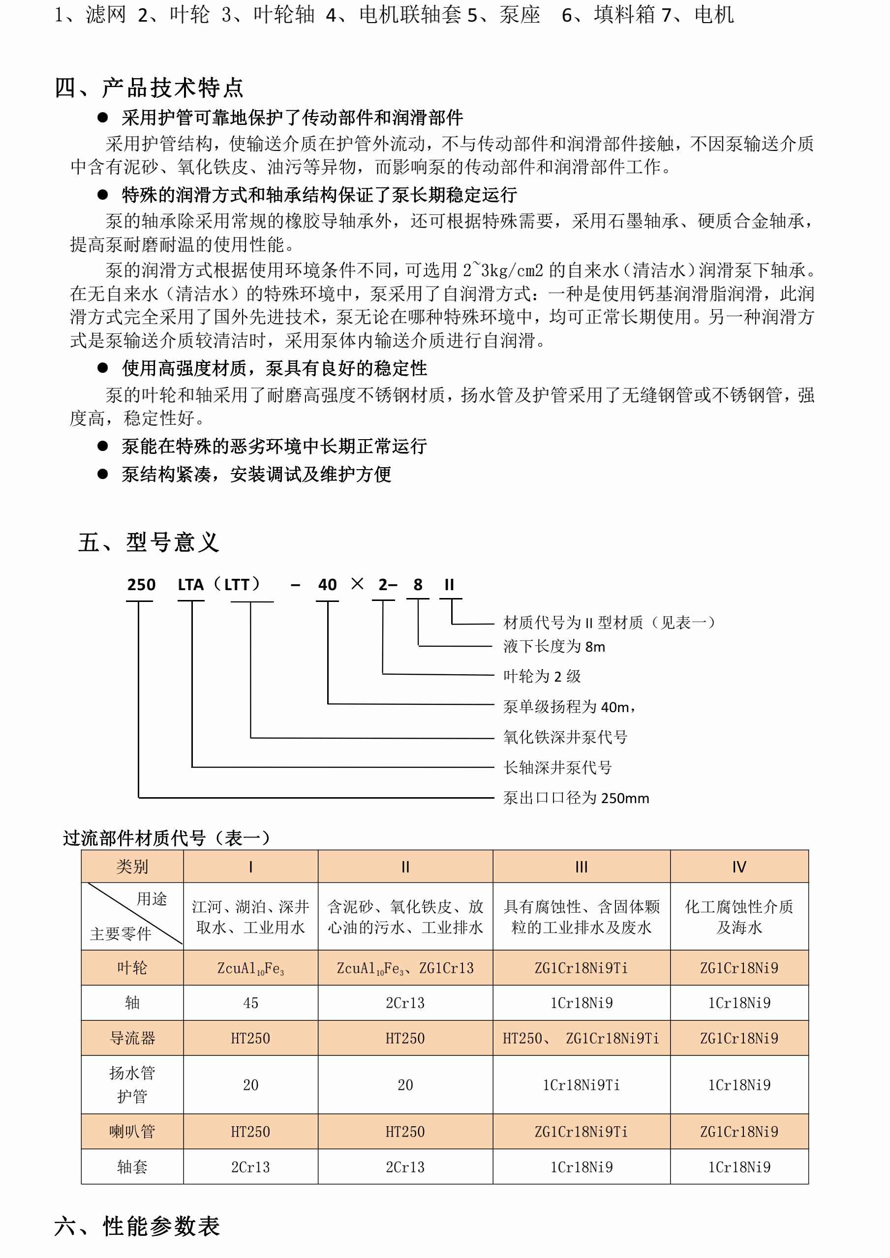
LTA型深井泵
便拆式联轴器
GDL型立式多级离心泵
污水泵
章鱼型污水泵
精密仪器高压清洗机
清洗设备
浏览量:
1000
LTA型深井泵
零售价
0.0
元
市场价
0.0
元
浏览量:
1000
产品编号
数量
-
+
库存:
0
询价
所属分类
返回列表
1
分享
在线留言
产品描述
参数
扫二维码用手机看
未找到相应参数组,请于后台属性模板中添加
上一个
ISG型立式管道泵
下一个
便拆式联轴器
底部版权
发布时间:
2020-01-20 00:00:00
手机版权
发布时间:
2020-02-03 00:00:00
页面版权:星空网页版登录入口-星空online(中国)